中国消费品质量安全促进会 · 官方网站

【专题:汽车电磁兼容技术研究】电动汽车电驱动系统传导干扰建模与仿真分析

2025-11-02 颜浩 中汽研新能源汽车检验中心(天津)有限公司电磁兼容部 项目经理\陈炟名 中汽研新能源汽车检验中心(天津)有限公司电磁兼容部 项目经理\国晨 中汽研新能源汽车检验中心(天津)有限公司电磁兼容部 室主任
 
 

以“汽车电磁兼容焕新提质”为主题的2025第十届汽车电磁兼容技术大会前不久在天津举办,吸引了国内外200余位专家和业内代表的参加。与会嘉宾围绕电磁兼容标准法规、质量提升、技术创新和产业发展等议题进行了深入交流与探讨。

本届大会由中国消费品质量安全促进会指导,中汽中心新能源检验中心主办。会上传递的信息显示,汽车产业科技创新带来的电动化、智能化、轻量化、数字化发展,使车辆的电磁兼容性能受到行业广泛重视。研究覆盖全价值链的电磁兼容开发设计、测试验证、提升优化等关键核心技术,对于提高汽车安全性、可靠性,保障消费者权益具有重要意义。

为全面展示我国汽车电磁兼容技术发展现状、存在的问题及未来走势,本刊特推出会议期间专家分享的最新研究成果,以飨读者,助力消费者明明白白消费,共促行业进步和可持续发展。

 
[摘要] 随着电动汽车电驱动系统电压等级的提升以及宽禁带半导体的应用,其电磁兼容(EMC)问题逐渐凸显,所产生的电磁干扰(EMI),成为当前电动汽车电驱动系统设计所面临的一大挑战。为了在系统设计初期验证电磁干扰抑制技术的有效性和可行性,本文针对电驱动系统传导干扰耦合路径进行研究,创新性地提出了基于等效谐振法的电机高频模型建模方法,并建立了完整的电驱动系统传导干扰仿真预测模型。最终对等效电路模型进行仿真分析,并与试验数据进行对比,验证了模型的准确性与有效性。
 
[关键词] 电驱动系统;等效谐振法;传导干扰;等效电路
 
引言
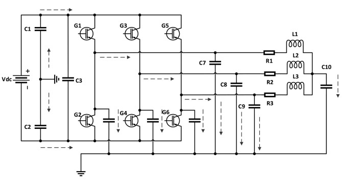
图1 电驱动系统基本结构
  随着电动汽车技术的发展,其电压平台正逐步从400V(伏特,电压单位)升级至800V,在这一进程中,电驱动系统的优化尤为关键。这种优化主要涉及采用碳化硅(SiC)开关器件,这些器件在开关频率和损耗特性上相较传统的绝缘栅双极晶体管(IGBT)表现出显著的优势。如图1所示,电驱动系统主要依赖开关器件将直流电压整流成电机所需的交流电压,并且SiC开关器件已广泛应用于电机驱动器的逆变器模块中。逆变器中开关器件的快速开关行为会产生快速变化的电压和电流,由于寄生参数的存在,高频电压和电流会通过耦合路径以传导的形式影响到敏感设备[1]。传导干扰会在电机驱动过程中对电机轴承产生过电压[2],既影响电机的使用寿命,也影响车辆对外界环境的辐射发射,对车辆公告测试中的电磁兼容项目产生较大风险。
  为了在设计阶段有效排除传导干扰风险,近年来,电驱动系统传导干扰仿真分析一直是电动汽车领域的研究热点。贾晋等人研发了穿墙式电驱系统带载测试装备,并基于某集成电驱系统建立了电驱系统带载仿真平台[3]。张戟等人建立了交流永磁同步电机模型,并将该模型导入Ansys进行有限元的电磁场分析,在联合仿真平台下进行整个驱动系统的联合仿真[4]。Ji Zhao等人设计并搭建了复杂工况下电传动系统高压三相线传导电磁干扰测试平台,研究了电机转矩、转速等因素对高压三相线路传导电磁干扰的影响[5]。现有研究主要采用有限元分析方法对电机进行建模,但是这种方法需要提取电机的多种参数,由于电机结构过于复杂,很难获取所有参数,这就会导致电机模型的不准确性,因此难以保证全频段的模型误差。
 
1电驱动系统传导干扰路径分析
  电机驱动系统中的传导干扰主要分布在150kHz(千赫兹)〜30MHz(兆赫兹),常将其划分为共模干扰和差模干扰两大类。共模干扰主要由系统与地之间的回路产生,特别是IGBT快速开关操作引发的高dv/dt电压变化率对寄生电容的充放电效应,是其主要来源;差模干扰则是系统内部各部分之间的相互干扰,其主要原因是由于IGBT快速开关引起的高di/dt电流变化率对寄生电感充放电所致[6]
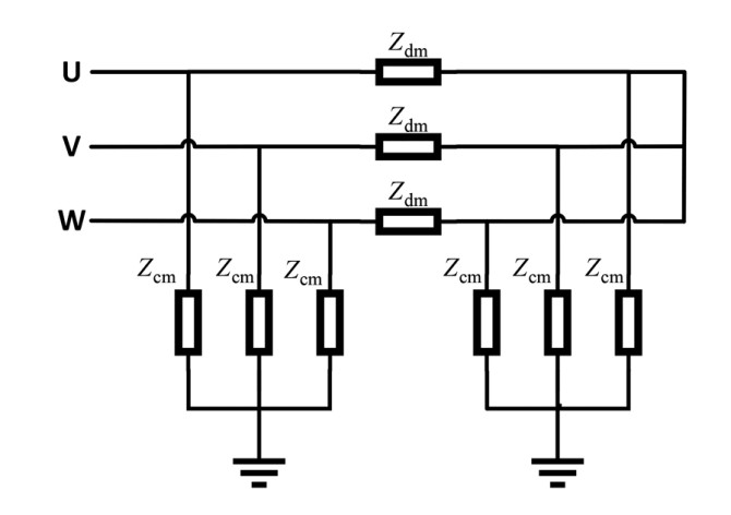
图2 共模干扰耦合路径示意图
 
  在图2中,共模干扰通过IGBT发出,经过IGBT本身、三相线缆以及电机外壳对地的寄生电容,最终传导至大地。在这个过程中,通过直流线缆侧的寄生电容返回。共模干扰的耦合路径主要集中在通过IGBT和线缆传导至电机外壳,再通过大地传回的过程。
图3 差模干扰耦合路径示意图
  图3中,差模干扰首先由A、B和C相的IGBT发出,然后通过三相线缆、电机绕组、IGBT内部寄生电容以及直流线缆的传导路径,最终返回到A、 B和C相。差模干扰的耦合路径主要涉及通过电机内部元件和线缆传导至直流线缆,然后返回到IGBT和电机绕组之间的路径。
 
2 电驱动系统传导干扰路径建模
2.1  永磁同步电机高频等效模型
图4 单相绕组等效模型
图5 电机三相等效模型
 
  在电路理论知识中,任何一个复杂的无源线性二端口网络都可以通过三个阻抗来等效其外部特性[7]。为了对电机的内部结构进行简化,将电机的三相绕组、转子和电机外壳视为一个整体,将共模干扰和差模干扰在每相绕组中的传播路径等效为“π” 型网络,如图4所示,整个电机由三个“π”型网络构成,最终电机的三相等效“π”型网络如图5所示。在“π”型网络中,两侧为单相的共模阻抗,共模干扰通过该回路流向大地;在网络中间为差模阻抗,用于模拟绕组自身的阻抗特性,差模干扰通过该回路流向三相公共端再流入系统回路中。
  由于单相绕组内部难以直接进行测量,为了获取单相绕组的共模阻抗和差模阻抗,首先进行整体电机的测量,随后通过换算得到所需的单相绕组参数。在进行共模阻抗测量时,需要将电机的三相输入端口短接,然后将其与外壳分别连接至阻抗分析仪。这样可以有效模拟共模干扰通过大地形成回路进行传播的情况。而在进行差模阻抗测量时,需将电机A相和B相短接,然后将其与C相端口分别连接至阻抗分析仪。这样可以模拟差模干扰在系统内部形成的回路中传播的情况。
2.2  IGBT寄生参数模型
图6 IGBT极间电容分布
 
  IGBT是电驱动系统中最大的干扰源。目前,在车载电驱动系统中,IGBT的工作电压等级最高能达到800V,开关频率主要集中在2kHz~20kHz,其快速开关所带来的高dv/dt会带来更加严峻的传导干扰。其自身存在的寄生参数会为传导干扰提供路径,从而传导至系统的其余部分[8]。IGBT的寄生参数主要包括内部的集电极与栅极间电容 、栅极与射极间电容以及集电极与射极间电容 与对散热器的寄生电容 ,如图6所示。目前,在IGBT生产过程中,并不会直接告知极间电容值,而是会在数据手册中标注输入电容 、输出电容和米勒电容 ,并描述上述电容与输入电压的关系[9]
  IGBT内部寄生电容主要为其动态特性中的输入电容 、输出电容 和米勒电容 ,具体数值可通过数据手册查询得到,内部寄生参数可通过式(1)计算得到。
(1)
  IGBT与散热片之间是通过导热硅脂进行粘贴的,它们之间可以等效为平行板电容器,也就是寄生电容。当IGBT与散热片之间存在快速变化的电流时,电流便会通过寄生电容向大地传播电磁干扰。由于该电容结构与平行板电容结构类似,故可以采用电容定义进行估算,计算公式如式(2)所示。
  其中, 为空气介电常数, 为绝缘介质的介电常数,S为平行板面积, d为绝缘介质厚度。本次仿真模型中导热硅脂的介电常数为8.5,IGBT与散热片的接触面积取8034mm2(平方毫米),导热硅脂厚度取0.3mm(毫米),带入式(2)后计算得到寄生电容为334pF。
2.3  输入输出线缆模型
  在电机驱动系统中线缆的研究对象包括两条高压直流线缆和三条交流线缆。当衡量输入输出线缆对高频干扰传导路径的影响时,线缆自身的电感性和电阻性以及线缆之间的互感性和互容性都需要考虑进来。由于传导干扰的研究频率最高达到了30MHz,因此线缆不可以视作理想导体。本小节采用Ansys中的Q3D模块对输入输出线缆进行仿真。
  高频电流流经线缆时会产生趋肤效应,这种情况下电流只会流过导体表面,因此线缆的电阻会增大。由式(3)可以得出趋肤深度d频率的升高而减小,电阻也会随之增大。式(4)为单位长度下导体电阻 的表达式。
  式中d为趋肤深度,f为电流频率, 为电导率, 为磁导率,R为内导体半径。
  在模型中,逆变器输入侧和输出侧均选用了相同材料的屏蔽线缆,该线缆由多层结构组成,主要包括内导体层、内绝缘层、屏蔽层以及外绝缘层。内导体层为铜,内绝缘层和外绝缘层均为PVC材料,屏蔽层为铝。现实中导体的屏蔽层为网状结构,模型中采用实心结构代替。
2.4 线性阻抗稳定网络LISN等效模型
  LISN是一种在电磁兼容性测试中广泛使用的设备。其主要功能在于模拟电源线上的实际运行条件,以确保准确测量电子设备在电源线上引入或辐射的电磁干扰[10] 。通过稳定电源线的阻抗,LISN能够消除测试中的不稳定因素,为测试提供可靠的基准。在国际电工委员会(IEC)和其他相关标准的指导下,LISN通过连接到电子设备并提供测试端口,有效地支持电磁兼容性评估,确保试验的可重复性。 LISN是电磁兼容测试中非常重要的设备,在测试中起到分离干扰信号、隔离电源侧干扰的作用,在使用过程中正负极均需要LISN来隔离电网干扰信号,电源正常流经5μH为被测设备供电,通过EMI接受机在50Ω观测窗口处观测电源线上的传导干扰。
 
3  系统传导干扰仿真与试验验证
3.1  仿真模型
图7 电驱动系统仿真模型
 
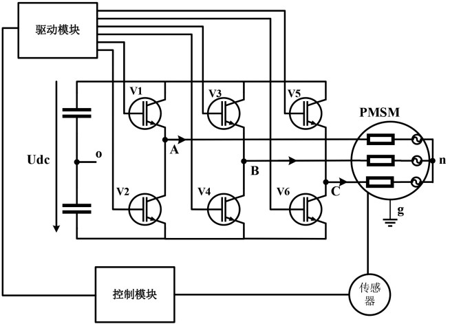
  参考GB/T 18655-2010 《车辆、船和内燃机无线电骚扰特性用于保护车载接收机的限值和测试方法》[11]中电机测试台架试验布置示例对各部分进行连接。高压电源通过高压LISN后将纯净的电源输入给电机逆变模块中,将EMI接收机与LISN的50Ω射频输出端口连接,观察高压电源线处的传导干扰频谱。在Simulink中搭建各模块等效电路模型,参考GB/T 18655-2010对各模块进行连接,控制信号通过理想的电机控制模型给出,只需将输出的PWM信号传递给等效模型的IGBT栅极处。最终得到的电推进系统传导干扰仿真模型如图7所示。
  在GB/ T 18 6 5 5-2010中对于传导干扰 的 测试 频段 规 定 在150kHz~30MHz,而仿真只能得到干扰的时域波形,因此需要将LISN得到的电压时域波形进行快速傅里叶变换(FFT)转换成频域波形。由于转化为频域后线性坐标无法直观地观察传导干扰随频率的变化趋势,故需要将曲线的横纵坐标均转化为对数的形式。其中,横坐标只需将步长设置成log步长,单位为MHz纵坐标;需要将测得的传导干扰单位伏特(V)转化为 ,具体转换公式如式(5)所示。
(5)
  在快速傅里叶变换中,频谱宽度与时域数据的采样率有关,一般为采样率的一半。为了满足150kHz~30MHz的频段要求,故将仿真步长设置为0.01us;为了在减少数据量的同时尽量保证数据的完整性,将仿真时间设置为0.1s。在FFT中频点步长为N/fs,其中N为计算点数,fs为采样率,在GB/T 18655中要求接收机的频点步长为5kHz,故选取200us的点数,最终在正极LISN处采集到干扰信号频谱。 
3.2  试验验证
  参考GB/ T 18655搭建实物压法测量正极处的传导干扰频谱(150kHz~30MHz)。接收机扫描频点步长为5kHz,扫描带宽为9kHz,扫描时间为50ms,检波方式为峰值检波。该测试平台由高压直流电源、低压蓄电池、CAN卡,以及电机控制器、光电转换器、高压LISN和低压LISN组成。
  将实物测试中所得到正极传导干扰频谱与仿真结果相比,可以看出仿真结果与实物测试结果有着相同的变化趋势,并且在幅值方面相差不大。除了谐振点处有些许差异,仿真数据中1MHz谐振点相比实物测试结果有些许延后,但总体来看,仿真结果很好地对应了实物测试结果,证明了仿真模型的正确性和合理性。
 
4  结 论 
  为了在研发阶段能有效评估电动汽车电驱动系统传导干扰排放水平,本文建立了一套系统级传导干扰仿真预测模型,提出了基于等效谐振法的电机高频等效建模方法,并通测试平台,在半电波暗室中采用电过数值法和解析法分别建立了直流输入线缆、IGBT、三相输出线缆和高压LISN高频等效模型。仿真结果和实验对比结果表明,两者变化趋势一致,该模型在150kHz~30MHz频率范围内保证了对系统传导干扰的预测和风险评估能力,达到了指导系统及电磁兼容设计的效果。后续将建立IGBT行为模型,进一步提高模型精确度。
 
参考文献
[1] 赵玉虎,明正峰,韩彬彬.功率变换电路电磁兼容建模及抑制方法[J].电气技术, 2022, 23(07): 7-17.
[2] 赵明杰,李国宁,温润,等.基于改进非零矢量脉宽调制的三相逆变器共模电压抑制方法[J].电机与控制应用,2018,45(12):25-30.
[3] 贾晋,龙云,赵鹤鸣,等.电驱系统带载电磁兼容测试与仿真闭环研究[J].安全与电磁兼容,2022(01):49-54.
[4] 张戟 , 王 洪 武 ,蔡浩 雄 .电 动 汽车 驱 动系 统 EM C仿真 研 究 [J].汽 车 工程,2014,36(05):580-585.
[5] Zhao J, Li X J, Du X, et al. Research on ele c tromagne tic inter ference characteristics of vehicle-mounted high-voltage electric drive system[C]//2022 Asia-Pacific International Symposium on Electromagnetic Compatibility (APEMC). IEEE, 2022: 302-305.
[6]王安.电机驱动系统电磁干扰仿真技术研究[D].重庆理工大学,2023.
[7] 李强.对转永磁同步电机驱动器EMI分析与抑制[D].哈尔滨工业大学,2021.
[8] 董雷明.考虑IGBT寄生参数的逆变器传导干扰建模与分析[D].北京交通大学,2023.
[9] 郎君.大功率IGBT模块电磁干扰特性研究[D].中国矿业大学,2020.
[10] 马敏.EMC试验中LISN的原理及其参数校准[J].电子工艺技术,2023,44(04):48-51.
[11] GB/T 18655-2018 保护车载接收机的无线电骚扰特性的限值和测量方法[S]. 2018

声明:

       本网注明“来源:中国消费品质量安全促进会”的所有作品,版权均中国消费品质量安全促进会,未经本网授权不得转载、摘编或利用其他方式使用上述作品。已经本网授权使用作品的,应在授权范围内使用,并注明“来源中国消费品质量安全促进会”。违反上述声明者,本网将追究其相关法律责任。若需转载本网稿件,请致电:010-59196582。

      本网注明“来源:XXX(非中国消费品质量安全促进会)”的作品,均转载自其他媒体,转载目的在于传递更多信息,并不代表本网赞同其观点和对其真实性负责